¡¾ÐÂÆ·Ðû²¼¡¿´¨ÍÁ΢µç×ÓCA-IS3020WG ³¬¿íÌå¸ôÀëI2C_ÐÐÒµ¶¯Ì¬_ÐÂÎÅÖÐÐÄ_ÑÇÓιú¼Ê

ÑÇÓιú¼Ê

È«ÇòODM¡¢OEMºÍEMSÌṩ×îרҵ¡¢×î¿É¿¿ºÍ×îÖÜÈ«µÄµç×ÓÔªÆ÷¼þÅäÌ×·þÎñ£¡
×ÉѯÈÈÏߣº 0755-26605389
  • Ê× Ò³
  • ¹ØÓÚÑÇÓιú¼Ê
    ÑÇÓιú¼Ê¼ò½é ÆóÒµÎÄ»¯ ÆóÒµÀíÄî
  • ²úÆ·ÖÐÐÄ
    ΢¿ØÖÆÆ÷ ·Å´óÆ÷ ½Ó¿ÚºÍ¸ôÀë µçÔ´ÖÎÀí MOSFET IGBT/IPM ¹âµçÆ÷¼þ SIC ±£»¤Æ÷¼þ ͨѶÄ£¿é
  • Ó¦ÓÃÁìÓò
  • ÐÂÎÅÖÐÐÄ
    ¹«Ë¾ÐÂÎÅ ÐÐÒµ¶¯Ì¬ ²úƷ֪ʶ
  • ÁªÏµÑÇÓιú¼Ê
    ÁªÏµÑÇÓιú¼Ê ÏÂÔØÖÐÐÄ È˲ÅÕÐÆ¸
  • EN

ÐÂÎÅÖÐÐÄ

¹«Ë¾ÐÂÎÅ ÐÐÒµ¶¯Ì¬ ²úƷ֪ʶ

¡¾ÐÂÆ·Ðû²¼¡¿´¨ÍÁ΢µç×ÓCA-IS3020WG ³¬¿íÌå¸ôÀëI2C

×÷ÕߣºÊ×´´ÈË      ʱ¼ä£º2024-07-18 08:36:13

01²úÆ·¸ÅÊö



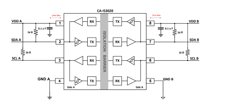
CA-IS3020WGΪÍêÕûµÄË«Ïò¡¢Ë«Í¨µÀÊý×Ö¸ôÀëÆ÷£¬¿ÉÌṩ7.5kVRMSµçÆø¸ôÀ룬ÒÔ¼°¸ß´ï¡À150kV/¦ÌsµÄµä·¶CMTI ¡£ËùÓÐÆ÷¼þµÄÊäÈë½ÓÄÉÊ©ÃÜÌØ´¥·¢Æ÷£¬Ìá¸ß¿¹×ÌÈÅÄÜÁ¦ ¡£Ã¿¸ö¸ôÀëͨµÀµÄÊý×ÖÊäÈëÓëÊä³öͨ¹ý¶þÑõ»¯¹è(SiO2)¾øÔµ²ã¸ôÀ룬Ìṩ½Ï¸ßµÄµç´Å×ÌÈÅÒÖÖÆºÍµÍEMIÌØÕ÷ ¡£¸ß¼¯³É¶ÈÉè¼Æ½öÐèÁ½¸öÍⲿVDDA¡¢VDDBÅÔ·µçÈݺÍÉÏÀ­µç×裬¼´¿É×é³ÉI2C¸ôÀë½Ó¿Ú ¡£

 

CA-IS3020WG¿ÉÖ§³ÖDCÖÁ2.0MHz´«ÊäËÙÂÊ£¬ÌṩÁ½Â·Ë«Ïò¡¢¿ªÂ©Êä³ö¸ôÀëͨµÀ£¬ÓÃÓÚÖ§³Ö¶àÖ÷»úI2CµÈÐèÒªÔÚͳһ×ÜÏßË«Ïò´«ÊäÊý¾Ý»òʱÖÓµÄË«Ïò¸ôÀëÓ¦Óà ¡£Æ÷¼þA²à(VDDA)¡¢B²à(VDDB)µ¥¶À¹©µç£¬¹©µçµçѹ¹æÄ£Îª3.0VÖÁ5.5V ¡£

 

CA-IS3020WG¿ÉÊÂÇéÔÚ-40¡ãCÖÁ+125¡ãCζȹæÄ££¬½ÓÄÉ8Òý½Å³¬¿íÌåSOIC·â×° ¡£ÓÉÓڽϿíµÄÊÂÇéζȹæÄ£ºÍ½Ï¸ßµÄ¸ôÀëÄÍѹ£¬¸ÃϵÁÐÆ÷¼þÊÊÓÃÓÚÇ¿×ÌÈŵĹ¤ÒµÇéÐÎ ¡£


02²úÆ·ÌØÕ÷



Ö§³ÖDC ÖÁ 2.0MHzË«ÏòÊý¾Ý´«Êä

? ¿É¿¿µÄÊý×ÖÐÅºÅµçÆø¸ôÀë

- ½Ï³¤µÄÊÂÇéÊÙÃü£º > 40Äê

- Ìṩ7.5kVRMS(³¬¿íÌåSOIC)µçÆø¸ôÀë

- ¡À150kV/¦Ìsµä·¶CMTI

- Ê©ÃÜÌØ´¥·¢ÊäÈëÌá¸ß¿¹×ÌÈÅÄÜÁ¦

- ½Ï¸ßµÄµç´ÅÒÖÖÆ£¬¿ÉÔâÊÜ×î¸ß¡À12.8kVÀËÓ¿

- ¡À8kV ESD±£»¤(ÈËÌåģʽ)

? ¿ªÂ©Êä³ö£º

A²à¿ÉÖ§³Ö×î¸ß3.5mA¹àµçÁ÷

- B²à¿ÉÖ§³Ö×î¸ß35mA¹àµçÁ÷

? 3.0VÖÁ5.5V¿íѹÊÂÇ鹿ģ

? ½Ï¿íµÄÊÂÇéζȹæÄ££º-40¡ãC to 125¡ãC

? Ìṩ³¬¿íÌåSOIC8-WWB (WG)·â×°



03·â×°±ÈÕÕ



image

image


04Ó¦ÓÃÁìÓò



? I2C, SMBus, PMBus½Ó¿Ú

? µç»ú¿ØÖÆÏµÍ³

? Ò½ÁÆ×°±¸

? µç³ØÖÎÀíϵͳ

? ÒÇÆ÷ÒDZí


05µä·¶Ó¦ÓÃ



image

´¨ÍÁ΢µç×ÓCA-IS302XµÍ¹¦ºÄË«Ïò¸ôÀëI2C½Ó¿ÚÌṩ¸»ºñµÄ·â×°Ñ¡ÐÍ£¬°üÀ¨Õ­ÌåSOIC8¡¢¿íÌåSOIC8¡¢¿íÌåSOIC16ÒÔ¼°±¾´ÎÍÆ³öµÄ³¬¿íÌåSOIC8£¬Äܹ»³ä·ÖÖª×ã¿Í»§µÄÓ¦ÓÃÐèÇó£¬ÓÐÓö©¹ºÐͺÅÈçϱíËùʾ£º

ͼƬ

×èÖ¹ÏÖÔÚ£¬´¨ÍÁ΢µç×Ó³¬¿íÏÏû³ÁÐÒÑÁ¿²úCA-IS38XX˫ͨµÀ¡¢ÈýͨµÀ¼°ËÄͨµÀÔöÇ¿¾øÔµÊý×Ö¸ôÀëÆ÷£¬±¾´ÎÍÆ³öµÄ³¬¿íÌå¸ôÀëI2C½Ó¿Ú¿ÉÌṩËÍÑù£¬¸ü¶à³¬¿íÏÏû³ÁвúÆ·£¬¾´ÇëÆÚ´ý£¡



ÉÏһƪ£º ¡¾ÐÂÆ·Ðû²¼¡¿´¨ÍÁ΢µç×ÓCA-IS2062A ³¬Ð¡ÐÍ»¯¡¢ÄÚÖÃDC-DCת»»Æ÷µÄ¸ôÀëʽCANÊÕ·¢Æ÷ ÏÂһƪ£º¡¾ÐÂÆ·Ðû²¼¡¿´¨ÍÁ΢µç×ÓCA-IS2062A ³¬Ð¡ÐÍ»¯¡¢ÄÚÖÃDC-DCת»»Æ÷µÄ¸ôÀëʽCANÊÕ·¢Æ÷

ÍøÕ¾µØÍ¼